Kogelkranen met flensaansluiting
Fig.IN 4021
PN16 2-delige stalen GS-C25 kogelkraan, volle doorlaat,
AISI 304 kogel, PTFE dichtingen, flenzen volgens DIN PN16,
Fig.IN 4021.
Fig.IN 4021FS
PN16 2-delige stalen GS-C25 kogelkraan, volle doorlaat, CF8M kogel, PTFE dichtingen, fire-safe, flenzen volgens
DIN PN16, Fig.IN 4021FS.
Fig.IN 4022
PN16 2-delige rvs CF8M kogelkraan, volle doorlaat, AISI 316 kogel, PTFE dichtingen, flenzen volgens DIN PN16,
Fig.IN 4022.
Fig.IN 4022FS
PN16 2-delige rvs CF8M kogelkraan, volle doorlaat, CF8M kogel, PTFE dichtingen, fire-safe, flenzen volgens DIN PN16, Fig.IN 4022FS.
Fig.IN 4030
PN16 1-delige gietijzeren GG-25 kogelkraan, volle doorlaat, messing verchroomde kogel, PTFE dichtingen, flenzen getapt volgens DIN PN16, Fig.IN 4030.
Fig.IN 4051
PN16 AISI 316 3-weg kogelkraan, AISI 316 kogel, volle doorlaat, T-boring, PTFE dichtingen, flenzen en boring volgens DIN PN16, Fig.IN 4051
Fig.IN 4052
PN16 AISI 316 3-weg kogelkraan, AISI 316 kogel, volle doorlaat, L-boring, PTFE dichtingen, flenzen en boring volgens DIN PN16, Fig.IN 4052.
Fig.IN 4053
PN16 stalen 3-weg kogelkraan, AISI 304 kogel, volle doorlaat, L-boring, PTFE dichtingen, flenzen en boring volgens
DIN PN16, Fig.IN 4053.
Fig.IN 4054
PN16 stalen 3-weg kogelkraan, AISI 304 kogel, volle doorlaat, T-boring, PTFE dichtingen, flenzen en boring volgens
DIN PN16, Fig.IN 4054.
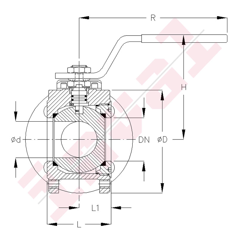
Fig.IN 4150
PN16 wafer type stalen C22.8 / GS-C25 kogelkraan, volle doorlaat, AISI 304 kogel, PTFE dichtingen, fire safe, getapte flenzen volgens DIN PN10, Fig.IN 4150.
Fig.IN 4151
PN16 wafer type rvs AISI 316 kogelkraan, volle doorlaat,
AISI 316 kogel, PTFE dichtingen, fire safe, getapte flenzen volgens DIN PN10, Fig.IN 4151.
Fig.IN 4152L
PN16 wafer type AISI 316 3-weg kogelkraan, AISI 316 kogel, gereduceerde doorlaat, L-boring, PTFE dichtingen, aansluiting flens volgens DIN PN16, zijaansluitingen
getapte flenzen volgens DIN PN16,
Fig.IN 4152L.
Fig.IN 4152T
PN16 wafer type AISI 316 3-weg kogelkraan, AISI 316 kogel, gereduceerde doorlaat, T-boring, PTFE dichtingen, aansluiting flens volgens DIN PN16,
zijaansluitingen getapte flenzen volgens DIN PN16,
Fig.IN 4152T.
Fig.IN 4153L
PN16 wafer type A105 3-weg kogelkraan, AISI 304 kogel, gereduceerde doorlaat, L-boring, PTFE dichtingen, aansluiting flens volgens DIN PN16,
zijaansluitingen getapte flenzen volgens DIN PN16,
Fig.IN 4153L.
Fig.IN 4153T
PN16 wafer type A105 3-weg kogelkraan, AISI 304 kogel, gereduceerde doorlaat, T-boring, PTFE dichtingen, aansluiting flens volgens DIN PN16,
zijaansluitingen getapte flenzen volgens DIN PN16,
Fig.IN 4153T.






